đ Beschreibung der Röhre: ECH81 Inventarnummer: 01285
Name | â ECH81 |
Vergleichsname | 6AJ8 6I1P â 6Đ1Đ |
Hersteller | â Mazda |
Heizspannung (Volt) | 6,3 |
Heizstrom (AmpĂšre) | 0,3 |
Art der Heizung | Indirekt |
Röhren mit Sockel | â Informationen zum Sockel: Noval, 9pol. â Liste aller Röhren mit: Noval, 9pol. |
Informationen Röhrentyp | |
Informationen | IX-O |
Kenn Nummer | |
Ătz- Produktionscode | |
Serien Nummer | |
Verpackung | Neutrale Verpackung |
Getestet | |
Hoheitszeichen | |
Letzte Ănderung | |
Lager | S23 |
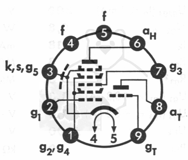
đ Beschreibung der Systeme fĂŒr die Röhre: ECH81
System 1 | System 2 | |
Kathode | 3 | 3 |
Gitter 1 | 9 | 2 |
Gitter 2 | 1 | |
Gitter 3 | 7 | |
Gitter 4 | 1 | |
Gitter 5 | 3 | |
Gitter 6 | ||
Gitter 7 | ||
Anode 1 | 8 | 6 |
Anode 2 | ||
Leuchtschirm | ||
Heizung | 4, 5 | 4, 5 |
Abschirmung | 3 | 3 |
Funktion | â Breitbandverstaerker, Triode |
â Mischroehre |
Hinweis: Beachten Sie bitte das bei der Benennung und ZÀhlreihenfolge der Stifte, in der Literatur oder DatenblÀtter, je nach Hersteller teilweise unterschiedliche Angaben gemacht werden.
đ Sockelschaltung der ECH81

Bildquelle: Telefunken Datenblatt
đ DatenblĂ€tter zur Röhre: ECH81











Hinweis:Alle DatenblĂ€tter (PDF-Dateien) die nicht von mir selbst eingescannt wurden, stammen aus öffentlichen, nichtkommerziellen Quellen. Sollte ein Problem existieren bitte ich um direkte RĂŒcksprache đš Probleme mit einem Datenblatt klĂ€ren
đ Bilder der Röhre: ECH81

Röhre ECH81 #1285 Bild 1