đ Beschreibung der Röhre: 7289 Inventarnummer: 06363
Name | â 7289 |
Vergleichsname | 3CX100A5 |
Hersteller | â General Electric |
Heizspannung (Volt) | 6 |
Heizstrom (AmpĂšre) | 1 |
Art der Heizung | Direkt |
Röhren mit Sockel | â Informationen zum Sockel: Spezialsockel â Liste aller Röhren mit: Spezialsockel |
Informationen Röhrentyp | |
Informationen | Die Röhre ist vor Feuchtigkeit geschĂŒtzt in eine regulĂ€re Konservendose eingeschweiĂt. Die 'Röhre in der Dose' - Leider nicht EU-Konform, da kein Mindesthaltbarkeitsdatum aufgedruckt ist ;) |
Kenn Nummer | |
Ătz- Produktionscode | |
Serien Nummer | |
Verpackung | MilitÀrverpackung |
Getestet | |
Hoheitszeichen | |
Letzte Ănderung | |
Lager | S43b |
đ Beschreibung der Systeme fĂŒr die Röhre: 7289
System 1 | |
Kathode | f- |
Gitter 1 | g |
Gitter 2 | |
Gitter 3 | |
Gitter 4 | |
Gitter 5 | |
Gitter 6 | |
Gitter 7 | |
Anode 1 | a |
Anode 2 | |
Leuchtschirm | |
Heizung | f-, f+ |
Abschirmung | |
Funktion | â Senderoehre, Triode |
Hinweis: Beachten Sie bitte das bei der Benennung und ZÀhlreihenfolge der Stifte, in der Literatur oder DatenblÀtter, je nach Hersteller teilweise unterschiedliche Angaben gemacht werden.
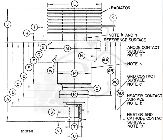
đ Sockelschaltung der 7289

Bildquelle: Machlett Datenblatt
đ DatenblĂ€tter zur Röhre: 7289




Hinweis:Alle DatenblĂ€tter (PDF-Dateien) die nicht von mir selbst eingescannt wurden, stammen aus öffentlichen, nichtkommerziellen Quellen. Sollte ein Problem existieren bitte ich um direkte RĂŒcksprache đš Probleme mit einem Datenblatt klĂ€ren
đ Bilder der Röhre: 7289

Röhre 7289 #6363 'Die Röhre in der Dose' Bild 1