🔎 Beschreibung der Röhre: 6И1П Inventarnummer: 07578
| Name | → 6И1П |
| Vergleichsname | 6AJ8 6I1P → ECH81 |
| Hersteller | → UdSSR (СВЕТЛАНА, Svetlana) |
| Heizspannung (Volt) | 6,3 |
| Heizstrom (Ampère) | 0,3 |
| Art der Heizung | Indirekt |
| Röhren mit Sockel | → Informationen zum Sockel: Noval, 9pol. → Liste aller Röhren mit: Noval, 9pol. |
| Informationen Röhrentyp | |
| Informationen | Produziert: 07/1981 ОТК1 |
| Kenn Nummer | |
| Ätz- Produktionscode | |
| Serien Nummer | |
| Verpackung | Neutrale Verpackung |
| Getestet | |
| Hoheitszeichen | |
| Letzte Änderung | |
| Lager | S125a |
🔎 Beschreibung der Systeme für die Röhre: 6И1П
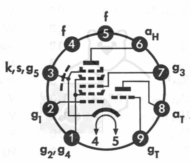
| System 1 | System 2 | |
| Kathode | 3 | 3 |
| Gitter 1 | 2 | 9 |
| Gitter 2 | 1 | |
| Gitter 3 | 7 | |
| Gitter 4 | 1 | |
| Gitter 5 | 3 | |
| Gitter 6 | ||
| Gitter 7 | ||
| Anode 1 | 6 | 8 |
| Anode 2 | ||
| Leuchtschirm | ||
| Heizung | 4, 5 | 4, 5 |
| Abschirmung | 3 | |
| Funktion | → Mischroehre |
→ Oszillator |
Hinweis: Beachten Sie bitte das bei der Benennung und Zählreihenfolge der Stifte, in der Literatur oder Datenblätter, je nach Hersteller teilweise unterschiedliche Angaben gemacht werden.
🔎 Sockelschaltung der 6И1П

Bildquelle: Telefunken Datenblatt
🔎 Datenblätter zur Röhre: 6И1П
Datenblatt 6И1П UdSSR [www.tubedata.info].pdf (385 kB)Hinweis:Alle Datenblätter (PDF-Dateien) die nicht von mir selbst eingescannt wurden, stammen aus öffentlichen, nichtkommerziellen Quellen. Sollte ein Problem existieren bitte ich um direkte Rücksprache 📨 Probleme mit einem Datenblatt klären
🔎 Bilder der Röhre: 6И1П

Röhre 6И1П #7578 Bild 1

Röhre 6И1П #7578 Bild 2

Röhre 6И1П #7578 Bild 3

Röhre 6И1П #7578 Bild 4

Röhre 6И1П #7578 Bild 5
