đ Beschreibung der Röhre: 3CPX100A5
| Name | 3CPX100A5 |
| Vergleichsname | 7815R |
| Heizspannung (Volt) | 6 |
| Heizstrom (AmpĂšre) | 1 |
| Art der Heizung | Indirekt |
| Röhren mit Sockel | â Informationen zum Sockel: Spezialsockel â Liste aller Röhren mit: Spezialsockel |
| ZusÀtzliche Informationen | Aufheizzeit: 60 Sekunden |
| Letzte Ănderung | 10.08.2018 04:47:38 |
đ Beschreibung der Systeme fĂŒr die Röhre: 3CPX100A5
| System 1 | |
| Kathode | k |
| Gitter 1 | g |
| Gitter 2 | |
| Gitter 3 | |
| Gitter 4 | |
| Gitter 5 | |
| Gitter 6 | |
| Gitter 7 | |
| Anode 1 | a |
| Anode 2 | |
| Leuchtschirm | |
| Heizung | f, f |
| Abschirmung | |
| Funktion | â Hochfrequenzverstaerker, Triode |
Hinweis: Beachten Sie bitte das bei der Benennung und ZÀhlreihenfolge der Stifte, in der Literatur oder DatenblÀtter, je nach Hersteller teilweise unterschiedliche Angaben gemacht werden.
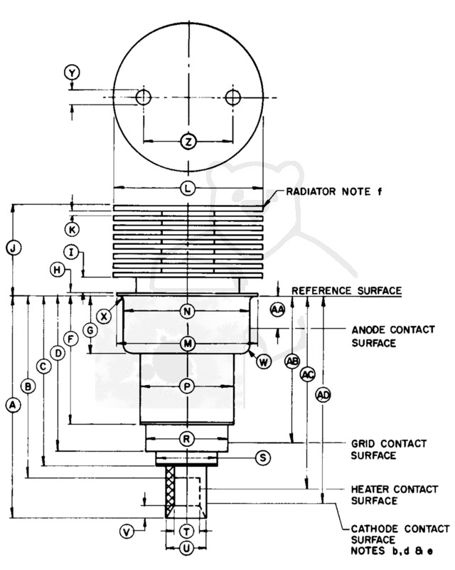
đ Sockelschaltung der 3CPX100A5

Bildquelle: Eimac Datenblatt
đ DatenblĂ€tter zur Röhre: 3CPX100A5
Datenblatt 7815R Eimac [www.tubedata.info].pdf (1120 kB)Hinweis:Alle DatenblĂ€tter (PDF-Dateien) die nicht von mir selbst eingescannt wurden, stammen aus öffentlichen, nichtkommerziellen Quellen. Sollte ein Problem existieren bitte ich um direkte RĂŒcksprache đš Probleme mit einem Datenblatt klĂ€ren
đ Bilder der Röhre: 3CPX100A5

Röhre 3CPX100A5 #3238 Bild 1

Röhre 3CPX100A5 #3238 Bild 2

Röhre 3CPX100A5 #3238 Bild 3

Röhre 3CPX100A5 #3238 Bild 4
đ Alle Röhren vom Typ 3CPX100A5 in der Sammlung
- â 3CPX100A5 Inventar: 03238 Hersteller: â Eimac
