đ Beschreibung der Röhre: 6GV8
| Name | 6GV8 |
| Vergleichsname | â ECL85 |
| Heizspannung (Volt) | 6,3 |
| Heizstrom (AmpĂšre) | 0,9 |
| Art der Heizung | Indirekt |
| Röhren mit Sockel | â Informationen zum Sockel: Noval, 9pol. â Liste aller Röhren mit: Noval, 9pol. |
| ZusÀtzliche Informationen | |
| Letzte Ănderung | 27.03.2016 01:16:19 |
đ Beschreibung der Systeme fĂŒr die Röhre: 6GV8
| System 1 | System 2 | |
| Kathode | 3 | 8 |
| Gitter 1 | 2 | 9 |
| Gitter 2 | 7 | |
| Gitter 3 | 8 | |
| Gitter 4 | ||
| Gitter 5 | ||
| Gitter 6 | ||
| Gitter 7 | ||
| Anode 1 | 1 | 6 |
| Anode 2 | ||
| Leuchtschirm | ||
| Heizung | 4, 5 | 4, 5 |
| Abschirmung | 8 | 8 |
| Funktion | â Bildsynchronisation |
â Bildsignal, Endverstaerker |
Hinweis: Beachten Sie bitte das bei der Benennung und ZÀhlreihenfolge der Stifte, in der Literatur oder DatenblÀtter, je nach Hersteller teilweise unterschiedliche Angaben gemacht werden.
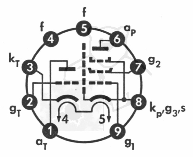
đ Sockelschaltung der 6GV8

Bildquelle: Telefunken Datenblatt
đ DatenblĂ€tter zur Röhre: 6GV8
Datenblatt 6GV8 RCA [www.tubedata.info].pdf (130 kB)Hinweis:Alle DatenblĂ€tter (PDF-Dateien) die nicht von mir selbst eingescannt wurden, stammen aus öffentlichen, nichtkommerziellen Quellen. Sollte ein Problem existieren bitte ich um direkte RĂŒcksprache đš Probleme mit einem Datenblatt klĂ€ren
đ Bilder der Röhre: 6GV8

Röhre 6GV8 #7945 Bild 1

Röhre 6GV8 #7945 Bild 2

Röhre 6GV8 #7945 Bild 3

Röhre 6GV8 #7945 Bild 4

Röhre 6GV8 #7945 Bild 5

Röhre 6GV8 #7945 Verpackung Bild 1

Röhre 6GV8 #7945 Verpackung Bild 2

Röhre 6GV8 #7945 Verpackung Bild 3

Röhre 6GV8 #4959 Bild 1
đ Alle Röhren vom Typ 6GV8 in der Sammlung
- â 6GV8 Inventar: 04959 Hersteller: â Amperex
- â 6GV8 Inventar: 07945 Hersteller: â Mullard (Australia)
