đ Beschreibung der Röhre: F215
Name | F215 |
Vergleichsname | |
Heizspannung (Volt) | 2,5 |
Heizstrom (AmpĂšre) | 1,5 |
Art der Heizung | Indirekt |
Röhren mit Sockel | â Informationen zum Sockel: Europa, 4pol. â Liste aller Röhren mit: Europa, 4pol. |
ZusÀtzliche Informationen | |
Letzte Ănderung | 28.09.2023 19:55:36 |
đ Beschreibung der Systeme fĂŒr die Röhre: F215
System 1 | |
Kathode | Seitenschraube |
Gitter 1 | 4 |
Gitter 2 | |
Gitter 3 | |
Gitter 4 | |
Gitter 5 | |
Gitter 6 | |
Gitter 7 | |
Anode 1 | 2 |
Anode 2 | |
Leuchtschirm | |
Heizung | 1, 3 |
Abschirmung | |
Funktion | â Triode, Allgemein |
Hinweis: Beachten Sie bitte das bei der Benennung und ZÀhlreihenfolge der Stifte, in der Literatur oder DatenblÀtter, je nach Hersteller teilweise unterschiedliche Angaben gemacht werden.
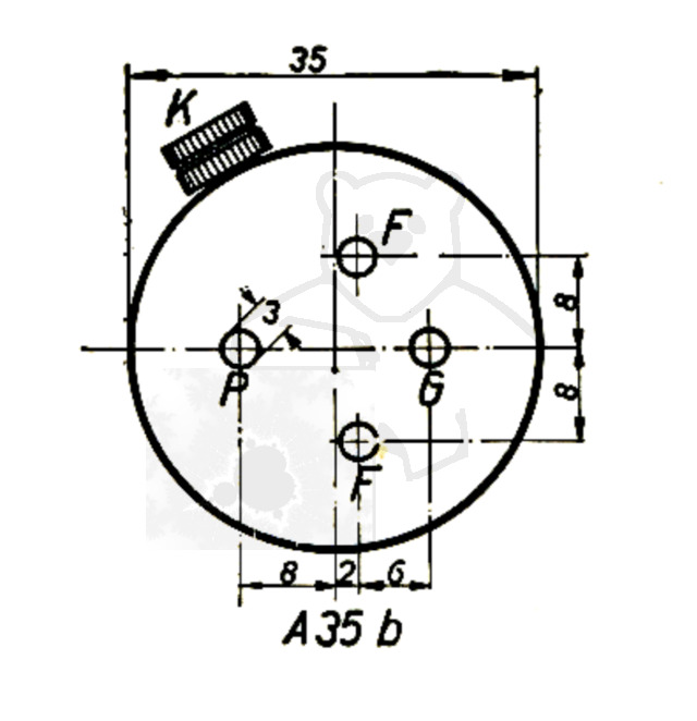
đ Sockelschaltung der F215

Bildquelle: Philips Datenblatt
đ DatenblĂ€tter zur Röhre: F215


Hinweis:Alle DatenblĂ€tter (PDF-Dateien) die nicht von mir selbst eingescannt wurden, stammen aus öffentlichen, nichtkommerziellen Quellen. Sollte ein Problem existieren bitte ich um direkte RĂŒcksprache đš Probleme mit einem Datenblatt klĂ€ren
đ Bilder der Röhre: F215

Röhre F215 #4558 Bild 1

Röhre F215 #4558 Bild 2

Röhre F215 #4558 Bild 3
đ Alle Röhren vom Typ F215 in der Sammlung
- â F215 Inventar: 04558 Hersteller: â Philips