đ Beschreibung der Röhre: RS685
| Name | RS685 |
| Vergleichsname | |
| Heizspannung (Volt) | 5 |
| Heizstrom (AmpĂšre) | 6,5 |
| Art der Heizung | Direkt |
| Röhren mit Sockel | â Informationen zum Sockel: Giant, 5pol. â Liste aller Röhren mit: Giant, 5pol. |
| ZusÀtzliche Informationen | |
| Letzte Ănderung | 16.01.2024 05:15:18 |
đ Beschreibung der Systeme fĂŒr die Röhre: RS685
| System 1 | |
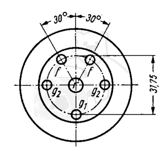
| Kathode | f |
| Gitter 1 | g1 |
| Gitter 2 | g2 |
| Gitter 3 | |
| Gitter 4 | |
| Gitter 5 | |
| Gitter 6 | |
| Gitter 7 | |
| Anode 1 | Kappe |
| Anode 2 | |
| Leuchtschirm | |
| Heizung | f, f |
| Abschirmung | |
| Funktion | â Senderoehre, Tetrode |
Hinweis: Beachten Sie bitte das bei der Benennung und ZÀhlreihenfolge der Stifte, in der Literatur oder DatenblÀtter, je nach Hersteller teilweise unterschiedliche Angaben gemacht werden.
đ Sockelschaltung der RS685

Bildquelle: Telefunken Datenblatt
đ DatenblĂ€tter zur Röhre: RS685
Datenblatt RS685 Telefunken.pdf (295 kB)Hinweis:Alle DatenblĂ€tter (PDF-Dateien) die nicht von mir selbst eingescannt wurden, stammen aus öffentlichen, nichtkommerziellen Quellen. Sollte ein Problem existieren bitte ich um direkte RĂŒcksprache đš Probleme mit einem Datenblatt klĂ€ren
đ Bilder der Röhre: RS685

Röhre RS685 #3504 Bild 1

Röhre RS685 #3504 Bild 2

Röhre RS685 #3504 Bild 3

Röhre RS685 #3504 Bild 4

Röhre RS685 #3504 Bild 5

Röhre RS685 #3504 Bild 6

Röhre RS685 #3504 Bild 7

Röhre RS685 #3504 Bild 8

Röhre RS685 #3504 Bild 9

Röhre RS685 #3504 Bild 10

Röhre RS685 #3504 Bild 11
đ Alle Röhren vom Typ RS685 in der Sammlung
- â RS685 Inventar: 03504 Hersteller: â Telefunken
