đ Beschreibung der Röhre: TH308
| Name | TH308 |
| Vergleichsname | |
| Heizspannung (Volt) | 6,3 |
| Heizstrom (AmpĂšre) | 6 |
| Art der Heizung | Direkt |
| Röhren mit Sockel | â Informationen zum Sockel: Spezialsockel â Liste aller Röhren mit: Spezialsockel |
| ZusÀtzliche Informationen | |
| Letzte Ănderung | 11.06.2018 19:37:01 |
đ Beschreibung der Systeme fĂŒr die Röhre: TH308
| System 1 | |
| Kathode | |
| Gitter 1 | |
| Gitter 2 | |
| Gitter 3 | |
| Gitter 4 | |
| Gitter 5 | |
| Gitter 6 | |
| Gitter 7 | |
| Anode 1 | |
| Anode 2 | |
| Leuchtschirm | |
| Heizung | |
| Abschirmung | |
| Funktion | â Senderoehre, Triode |
Hinweis: Beachten Sie bitte das bei der Benennung und ZÀhlreihenfolge der Stifte, in der Literatur oder DatenblÀtter, je nach Hersteller teilweise unterschiedliche Angaben gemacht werden.
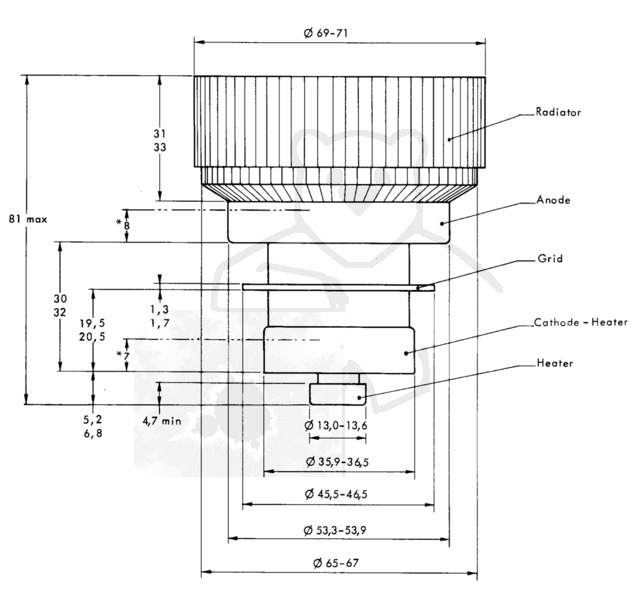
đ Sockelschaltung der TH308

Bildquelle: Thomson-CSF Groupement Tubes Electroniques Datenblatt
đ DatenblĂ€tter zur Röhre: TH308
Datenblatt TH308 Thomson-CSF Groupement Tubes Electroniques [www.tubedata.info].pdf (4049 kB)Hinweis:Alle DatenblĂ€tter (PDF-Dateien) die nicht von mir selbst eingescannt wurden, stammen aus öffentlichen, nichtkommerziellen Quellen. Sollte ein Problem existieren bitte ich um direkte RĂŒcksprache đš Probleme mit einem Datenblatt klĂ€ren
đ Bilder der Röhre: TH308

Röhre TH308 #3242 Bild 1

Röhre TH308 #3242 Bild 2

Röhre TH308 #3242 Bild 3

Röhre TH308 #3242 Bild 4

Röhre TH308 #3242 Bild 5

Röhre TH308 #3242 Bild 6

Röhre TH308 #3242 Bild 7
đ Alle Röhren vom Typ TH308 in der Sammlung
- â TH308 Inventar: 03242 Hersteller: â Thomson-CSF, Frankreich
