🔎 Beschreibung der Röhre: UCH81
Name | UCH81 |
Vergleichsname | 19AJ8 |
Heizspannung (Volt) | 19 |
Heizstrom (Ampère) | 0,1 |
Art der Heizung | Indirekt |
Röhren mit Sockel | → Informationen zum Sockel: Noval, 9pol. → Liste aller Röhren mit: Noval, 9pol. |
Zusätzliche Informationen | |
Letzte Änderung | 11.12.2020 12:42:28 |
🔎 Beschreibung der Systeme für die Röhre: UCH81
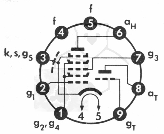
System 1 | System 2 | |
Kathode | 3 | 3 |
Gitter 1 | 9 | 2 |
Gitter 2 | 1 | |
Gitter 3 | 7 | |
Gitter 4 | 1 | |
Gitter 5 | 3 | |
Gitter 6 | ||
Gitter 7 | ||
Anode 1 | 8 | 6 |
Anode 2 | ||
Leuchtschirm | ||
Heizung | 4, 5 | 4, 5 |
Abschirmung | 3 | 3 |
Funktion | → Oszillator / Mischer |
→ Mischroehre |
Hinweis: Beachten Sie bitte das bei der Benennung und Zählreihenfolge der Stifte, in der Literatur oder Datenblätter, je nach Hersteller teilweise unterschiedliche Angaben gemacht werden.
🔎 Sockelschaltung der UCH81

Bildquelle: Telefunken Datenblatt
🔎 Datenblätter zur Röhre: UCH81











Hinweis:Alle Datenblätter (PDF-Dateien) die nicht von mir selbst eingescannt wurden, stammen aus öffentlichen, nichtkommerziellen Quellen. Sollte ein Problem existieren bitte ich um direkte Rücksprache 📨 Probleme mit einem Datenblatt klären
🔎 Bilder der Röhre: UCH81

Röhre UCH81 #1439 Bild 1

Röhre UCH81 #4074 Bild 1

Röhre UCH81 #4074 Bild 2

Röhre UCH81 #4074 Bild 3

Röhre UCH81 #4074 Bild 4

Röhre UCH81 #4074 Verpackung Bild 1

Röhre UCH81 #4074 Verpackung Bild 2

Röhre UCH81 #1372 Bild 1

Röhre UCH81 #1340 Bild 1

Röhre UCH81 #4074 Verpackung Bild 1

Röhre UCH81 #1599 Bild 1

Röhre UCH81 #1499 Bild 1

Röhre UCH81 #5321 Bild 1

Röhre UCH81 #5467 Bild 1

Röhre UCH81 #5850 Bild 1
🔎 Alle Röhren vom Typ UCH81 in der Sammlung
- → UCH81 Inventar: 01340 Hersteller: → Tungsram
- → UCH81 Inventar: 01372 Hersteller: → Siemens
- → UCH81 Inventar: 01439 Hersteller: → Telefunken (Mit Raute im Boden)
- → UCH81 Inventar: 01499 Hersteller: → Unbekannter Hersteller
- → UCH81 Inventar: 01567 Hersteller: → Philips
- → UCH81 Inventar: 01599 Hersteller: → Philips
- → UCH81 Inventar: 04074 Hersteller: → Philips Miniwatt
- → UCH81 Inventar: 05321 Hersteller: → Funkwerk Erfurt
- → UCH81 Inventar: 05467 Hersteller: → Funkwerk Erfurt
- → UCH81 Inventar: 05513 Hersteller: → Funkwerk Erfurt
- → UCH81 Inventar: 05850 Hersteller: → Funkwerk Erfurt