đ Beschreibung der Röhre: DS323
| Name | DS323 |
| Vergleichsname | |
| Heizspannung (Volt) | 12,6 |
| Heizstrom (AmpĂšre) | 0,6 |
| Art der Heizung | Indirekt |
| Röhren mit Sockel | Spezialsockel, Deutsche Wehrmacht â Liste aller Röhren mit: Spezialsockel, Deutsche Wehrmacht |
| ZusÀtzliche Informationen | Röhre wurde als 'Marmeladenglass' bezeichnet |
| Letzte Ănderung | 06.07.2024 10:50:50 |
đ Beschreibung der Systeme fĂŒr die Röhre: DS323
| System 1 | |
| Kathode | k |
| Gitter 1 | g |
| Gitter 2 | |
| Gitter 3 | |
| Gitter 4 | |
| Gitter 5 | |
| Gitter 6 | |
| Gitter 7 | |
| Anode 1 | a |
| Anode 2 | |
| Leuchtschirm | |
| Heizung | f, f |
| Abschirmung | |
| Funktion | â Senderoehre, Triode |
Hinweis: Beachten Sie bitte das bei der Benennung und ZÀhlreihenfolge der Stifte, in der Literatur oder DatenblÀtter, je nach Hersteller teilweise unterschiedliche Angaben gemacht werden.
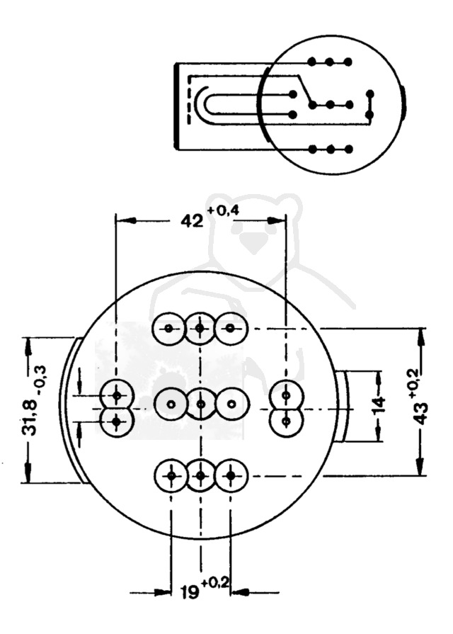
đ Sockelschaltung der DS323

Bildquelle: Lorenz Datenblatt
đ DatenblĂ€tter zur Röhre: DS323
Datenblatt DS323 Lorenz [www.tubedata.info].pdf (81 kB)Hinweis:Alle DatenblĂ€tter (PDF-Dateien) die nicht von mir selbst eingescannt wurden, stammen aus öffentlichen, nichtkommerziellen Quellen. Sollte ein Problem existieren bitte ich um direkte RĂŒcksprache đš Probleme mit einem Datenblatt klĂ€ren
đ Bilder der Röhre: DS323

Röhre DS323 #4028 Bild 1

Röhre DS323 #4028 Bild 2

Röhre DS323 #4028 Bild 3

Röhre DS323 #4028 Bild 4

Röhre DS323 #4028 Bild 5

Röhre DS323 #4028 Bild 6

Röhre DS323 #4028 Bild 7

Röhre DS323 #4028 Bild 8

Röhre DS323 #4028 Bild 9

Röhre DS323 #4028 Bild 10

Röhre DS323 #4028 Bild 11

Röhre DS323 #4028 Bild 12

Röhre DS323 #4028 Bild 13

Röhre DS323 #4028 Bild 14

Röhre DS323 #4028 Bild 15

Röhre DS323 #4028 Bild 16

Röhre DS323 #4028 Bild 17

Röhre DS323 #4028 Bild 18

Röhre DS323 #4028 Bild 19

Röhre DS323 #4028 Bild 20

Röhre DS323 #4028 Bild 21

Röhre DS323 #4028 Bild 22

Röhre DS323 #4028 Bild 23

Röhre DS323 #4028 Bild 24

Röhre DS323 #4028 Bild 25

Röhre DS323 #4028 Bild 26

Röhre DS323 #4028 Bild 27

Röhre DS323 #4028 Verpackung Bild 1

Röhre DS323 #4028 Verpackung Bild 2

Röhre DS323 #4028 Verpackung Bild 3

Röhre DS323 #4028 Verpackung Bild 4
đ Alle Röhren vom Typ DS323 in der Sammlung
- â DS323 Inventar: 04028 Hersteller: â Lorenz
